| Model No. |
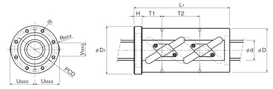
Screw shaft
outer diameterd |
Lead
Ph |
Ball
center-to-center diameterdp |
Outer diameter
D |
Flange diameter
D1 |
Overall length
L1 |
Tw |
Basic load rating |
Permissible load
FP |
Detail specifications |
CAD |
Dimensional drawing |
| Dynamic rating
Ca |
Static rating
C0a |
2D (DXF) |
3D |
| mm |
mm |
mm |
mm |
mm |
mm |
mm |
kN |
kN |
kN |
| HBN 6335K-10 |
63 |
35 |
66 |
105 |
139 |
271 |
— |
548 |
1376 |
169 |
— |
— |
 |
 |
| HBN 6335K-15 |
63 |
35 |
66 |
105 |
139 |
376 |
— |
776 |
2064 |
240 |
— |
— |
| HBN 6342K-3 |
63 |
42 |
66.5 |
117 |
157 |
156 |
— |
259 |
526 |
80 |
— |
— |
| HBN 6350K-10 |
63 |
50 |
66.5 |
117 |
157 |
358 |
— |
719 |
1723 |
222 |
— |
— |
| HBN 8040K-5 |
80 |
40 |
83.5 |
134 |
174 |
185 |
— |
451 |
1105 |
154 |
— |
— |
| HBN 8040KA-5 |
80 |
40 |
83.5 |
130 |
174 |
185 |
— |
451 |
1105 |
154 |
— |
— |
— |
| HBN 8050K-15 |
80 |
50 |
83.5 |
134 |
174 |
519 |
— |
1171 |
3376 |
472 |
— |
— |
 |
| HBN 8050KA-15 |
80 |
50 |
83.5 |
130 |
174 |
519 |
— |
1171 |
3376 |
472 |
— |
— |
— |
| HBN 10016K-10 |
100 |
16 |
103 |
150 |
190 |
263 |
— |
673 |
2244 |
314 |
— |
— |
 |
 |
| HBN 10016KA-10 |
100 |
16 |
103 |
145 |
190 |
263 |
— |
673 |
2244 |
314 |
— |
— |
— |
| HBN 10020K-7.5 |
100 |
20 |
103.5 |
154 |
194 |
252 |
— |
717 |
2107 |
295 |
— |
— |
 |
| HBN 10020KA-7.5 |
100 |
20 |
103.5 |
145 |
194 |
252 |
— |
717 |
2107 |
295 |
— |
— |
— |
| HBN 10020K-10 |
100 |
20 |
103.5 |
154 |
194 |
312 |
— |
919 |
2810 |
393 |
— |
— |
 |
| HBN 10020KA-10 |
100 |
20 |
103.5 |
145 |
194 |
312 |
— |
919 |
2810 |
393 |
— |
— |
— |
| HBN 10020K-12.5 |
100 |
20 |
103.5 |
154 |
194 |
372 |
— |
1114 |
3512 |
491 |
— |
— |
 |
| HBN 10020KA-12.5 |
100 |
20 |
103.5 |
145 |
194 |
372 |
— |
1114 |
3512 |
491 |
— |
— |
— |
| HBN 10020K-7 |
100 |
20 |
103.5 |
154 |
194 |
232 |
— |
674 |
1956 |
273 |
— |
— |
 |
| HBN 10020KA-7 |
100 |
20 |
103.5 |
145 |
194 |
232 |
— |
674 |
1956 |
273 |
— |
— |
— |
| HBN 10020K-10.5 |
100 |
20 |
103.5 |
154 |
194 |
312 |
— |
955 |
2934 |
410 |
— |
— |
 |
| HBN 10020KA-10.5 |
100 |
20 |
103.5 |
145 |
194 |
312 |
— |
955 |
2934 |
410 |
— |
— |
— |
|